Description
Plieuse pour presse hydraulique.
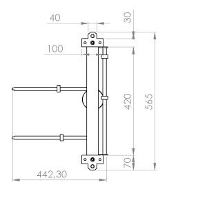
Ce kit de pliage pourra être monté sur la plupart des presses hydraulique du marché, pour cela veiller a bien lire les dimensions dans le tableau ci dessous.
La capacité de pliage dépendra principalement de la puissance de votre presse.
Cette presse plieuse est en acier, les pièces sont en acier et taillées dans la masse et traitée afin d’offrir une durée dans le temps plus longue.
Le kit doit être fixé sur des blocs d’acier épais et installé sur le tablier de votre presse .
Le système est équipé de guides, de supports de tôles ainsi que de butées de profondeurs.
Un système de butée d’angle est également sur la machine, composé d’écrous réglables sur chaque cotés.
Ce kit conviendra pour un atelier de mécanique, prototypage, création de supports, équerre de maintient …
Produit conçu et développé par PRP Machines.
Retrait au dépôt sur RDV










